Načítám data...

EKA
EKA rozměry
EKA NV Schéma
EKA instalace možnosti
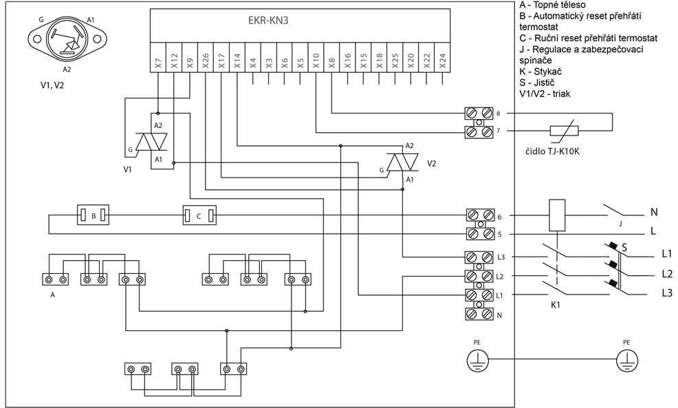
EKA NV Zapojení 3 fáze

EKA NV 315-9,0-3f

Elektrický ohřívač - potrubní, regulace, do 50°C, IP44, Ø315mm
  • S vestavěným regulátorem
  • Dvě vestavěné ochrany proti přehřátí
  • Pozinkovaná potrubí, topné články z nerezové oceli

Cena za ks (bez DPH): 14 504,00 Kč

Cena za ks (s DPH): 17 549,84 Kč

Počet ks
do košíkupříslušenství

Použití

Elektrický ohřívač.

Ø315mm 9,0kW 400V

Funkce

Pro ohřev čerstvého vzduchu přiváděného do jednotlivých místností a zón s individuálně řízenými teplotami. Ve správně navržených systémech mohou rovněž vytápět celou budovu. Kruhová elektrická potrubní topná tělesa se rovněž používají pro předehřev nebo meziohřev pro ventilační zařízení.

Provedení

  • Elektrický ohřívač pro montáž do kruhového potrubí s integrovanou regulací a nastavením teploty.
  • Návrhový program (základní informace, rozměry, grafy, schéma zapojení, příslušenství a dokumentace):
  • SALDA SELECT online
  • Minimální rychlost 1,5 m/s
  • Elektrické napětí: 3+1/N/PE 400 V proud 13 A
  • Krytí: IP44
  • Maximální teplota vzduchu: 50°C
  • Topný výkon: 9,0 kW
  • Váha: 9,1 kg
  • Připojení: Ø315mm
  • Materiál: Pozinkované potrubí, topné články z nerezové oceli.
  • Výrobce / Dodavatel: SALDA UAB
  • Regulační systém: Elektronická regulace výstupní teploty, 1x automatický a 1x ruční reset bezpečnostní termostat
  • Přehled funkce: potrubní, regulace, do 50°C, IP44, Ø315mm

Instalace

Minimální rychlost vzduchu: potrubní topná tělesa jsou navržena pro minimální rychlost vzduchu 1,5 m/s a maximální provozní teplotu výstupního vzduchu 50°C.

Příslušenství

Obrázek
Název / Popis
Měrná jednotka
Cena s DPH
Termín
TJ-K10K
TJ-K10K
Potrubní čidlo
Měrná jednotka: ks
Cena: 767,14 Kč
Termín: na dotaz
QBM81-3
QBM81-3
Diferenční tlakový spínač 20...300 Pa
Měrná jednotka: ks
Cena: 1 373,35 Kč
Termín: na dotaz

Tato stránka využívá cookies pro vaše lepší procházení webové stránky. Tím, že na stránkách setrváte, souhlasíte s jejich používáním. Více zjistíte zde.