Načítám data...

EKA
EKA rozměry
EKA instalace možnosti
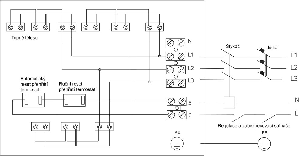
EKA Zapojení 3 phase

EKA 250-6,0-3f

Elektrický ohřívač - bez regulace, do 50°C, IP44, Ø250mm, potrubní
  • Pro vnější ovládání
  • Dvě vestavěné ochrany proti přehřátí
  • Pozinkovaná potrubí, topné články z nerezové oceli

Cena za ks (bez DPH): 5 790,00 Kč

Cena za ks (s DPH): 7 005,90 Kč

Počet ks
do košíkupříslušenství

Použití

Elektrický ohřívač.

Ø250mm 6,0kW 400V

Funkce

Pro ohřev čerstvého vzduchu přiváděného do jednotlivých místností a zón s individuálně řízenými teplotami. Ve správně navržených systémech mohou rovněž vytápět celou budovu. Kruhová elektrická potrubní topná tělesa se rovněž používají pro předehřev nebo meziohřev ventilačních zařízení.

Provedení

  • Elektrický ohřívač pro montáž v kruhovém potrubí pro externí regulaci.
  • Splňující normy:
  • IEC 60335-20-30: 1996
  • EN 600335-20-30: 1999
  • EN 61010-1+A2: 2000
  • EN 50081-2: 1995
  • EN 55011: 1999+A1: 2001
  • Návrhový program (základní informace, rozměry, grafy, schéma zapojení, příslušenství a dokumentace):
  • SALDA SELECT online
  • Minimální rychlost 1,5 m/s
  • Elektrické napětí: 3+1/N/PE 400 V proud 8,7 A
  • Krytí: IP44
  • Maximální teplota vzduchu: 50°C
  • Topný výkon: 6,0 kW
  • Váha: 7 kg
  • Připojení: Ø250mm
  • Materiál: Pozinkované potrubí, topné články z nerezové oceli.
  • Výrobce / Dodavatel: SALDA UAB
  • Regulační systém: Bez regulace, 1x automatický a 1x ruční reset bezpečnostní termostat
  • Přehled funkce: bez regulace, do 50°C, IP44, Ø250mm, potrubní

Instalace

Minimální rychlost vzduchu: potrubní topná tělesa jsou navržena pro minimální rychlost vzduchu 1,5 m/s a maximální provozní teplotu výstupního vzduchu 50°C.

Příslušenství

Obrázek
Název / Popis
Měrná jednotka
Cena s DPH
Termín
TJ-K10K
TJ-K10K
Potrubní čidlo
Měrná jednotka: ks
Cena: 767,14 Kč
Termín: na dotaz
EKR 15.1
EKR 15.1
Plynulý regulátor elektrického ohřívače - IP20
Měrná jednotka: ks
Cena: 10 177,31 Kč
Termín: na dotaz
QBM81-3
QBM81-3
Diferenční tlakový spínač 20...300 Pa
Měrná jednotka: ks
Cena: 1 373,35 Kč
Termín: na dotaz

Tato stránka využívá cookies pro vaše lepší procházení webové stránky. Tím, že na stránkách setrváte, souhlasíte s jejich používáním. Více zjistíte zde.