Načítám data...
Načítám data...
Zboží bylo úspěšně přidáno do košíku.
Cena za ks (bez DPH): 3 770,00 Kč
Cena za ks (s DPH): 4 561,70 Kč
Čidla kvality vzduchu.
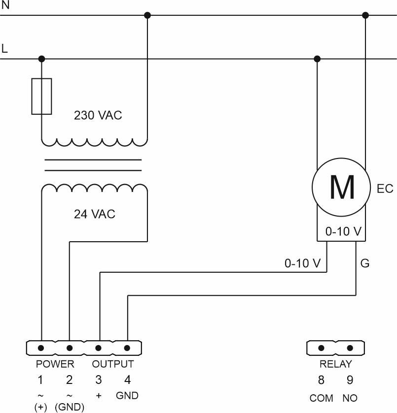
Prostorové čidlo oxidu uhličitého s relé
Prostorové čidlo NLII-C02 slouží pro sledování kvality vzduchu v interiéru budov a pro řízení výkonu ventilačních (HVAC) systémů dle aktuální úrovně znečištění vzduchu. Čidlo měří koncentraci oxidu uhličitého (C02) a relativní vlhkost (RH) vzduchu. Je vhodné pro kanceláře, učebny, obchodní centra, domácnosti, restaurace,fitcentra, komerční objekty, atd.


